技术规格
| 标准型号: | 3:HTC140 - HTC40 - HTC50 |
| ISO 底锥: | 30 - 40 - 50 |
| HSK 底锥: | 63 - 80 - 100 |
| 夹头中心距 mm: | 从 470 到 580 |
| 工具重量公斤: | 最多 25 |
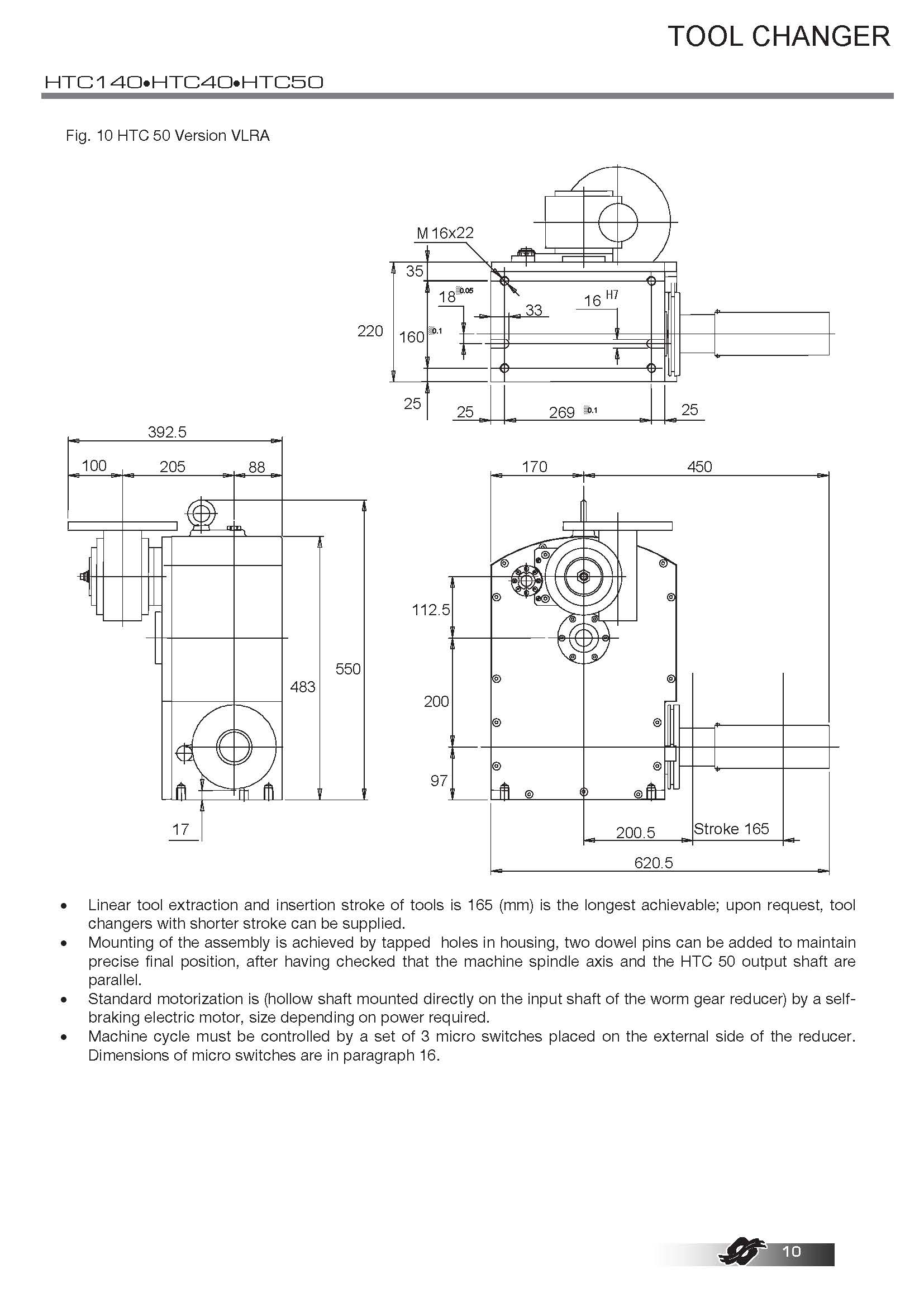
描述
COLOMBO FILIPPETTI spa 的 HTC(卧式换刀装置)是机械式且完全自主的换刀装置,它通过凸轮机构将齿轮电机装置提供的均匀传入旋转运动转换为一系列有序的间歇线性输出轴的旋转运动,工具夹具的臂键锁在输出轴上。
由机械手执行的同步运动实现了典型的工具更换周期,这是该设备的特点。
在运输阶段,夹臂配备了工具的自动安全锁定装置。
该产品的主要特点是:运动的精确度、速度和平滑度、低振动、静音、应用的多功能性以及极小的尺寸。













































2384326522